文章(zhang)來源:中國華(hua)能(neng)集團有(you)限公司 發布時(shi)間(jian):2025-03-01
【成果簡介】
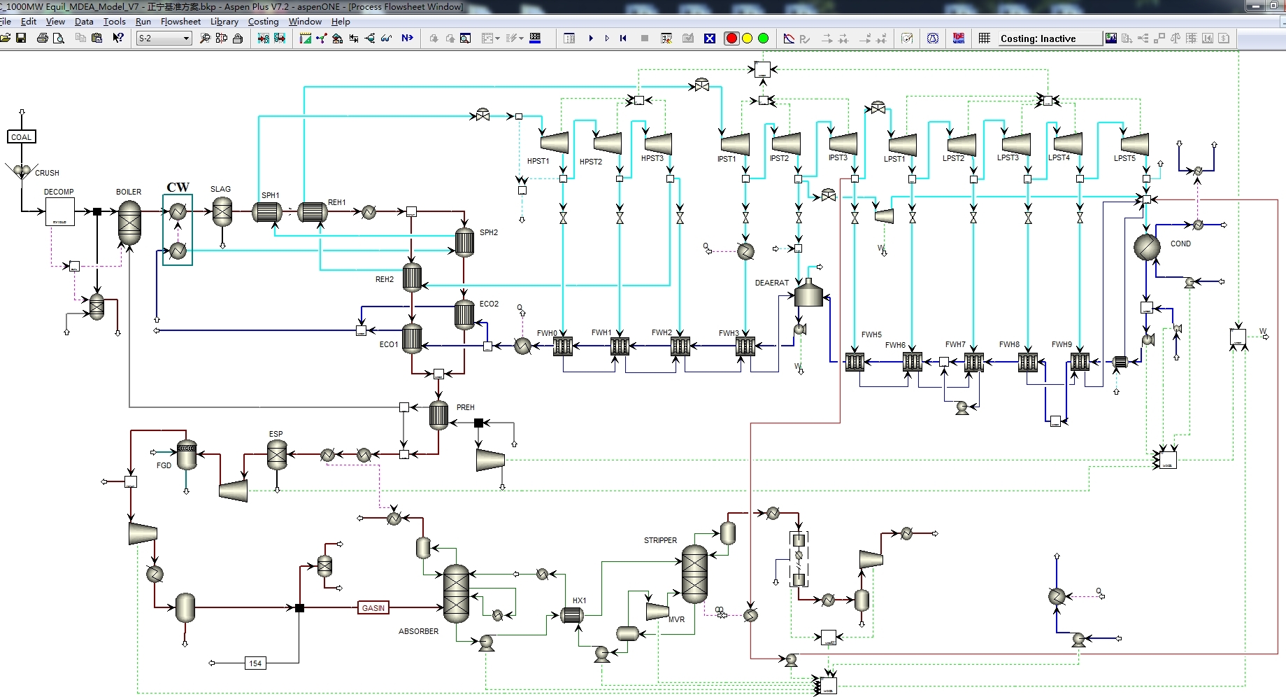
與國際頂尖技術水平相比,我國尚無百萬噸級燃煤電廠CO2捕集示范工程,在大規模系統工藝和系統設計優化方面尚缺乏經驗。工藝和系統設計是碳捕集吸收劑性能發揮的基礎。在國家發改委揭榜掛帥項目的支持下,華能集團開展百萬噸級CO2捕集工藝與碳捕集發電系統集成研究,結合溶劑設計和吸收解吸特性的研究,探索可最大限度發揮溶劑性能的節能工藝。在捕集工藝的設計基礎上,研究捕集與發電系統集成的方法,為未來火電機組的碳捕集系統改造提供技術支撐。本技術產品“先進碳捕集工藝及系統集成設計”,為可滿足燃煤電廠150萬噸/年碳捕集規模的工藝優化和系統集成方案,實現我國碳捕集發電系統設計關鍵技術自主可控,相關技術水平達到國際領先,填補國內在該技術領域的空白。
【主要指標】
(一)CO2再生熱耗:≤2.3GJ/tCO2
(二)碳捕集電耗:≤70kWh/tCO2
(三)CO2捕集率:≥90%
(四)CO2純度:≥99.5%
【應用推廣需求】
(一)應用推廣方式:銷售、合作實施
(二)應用推廣領域:本技術可廣泛應用于燃煤電廠煙氣或工業尾氣的CO2捕集分離,以減少化石燃料CO2排放量,包括電力、水泥、化工、鋼鐵、石油開采、供熱、交通等行業。
【成果圖片】

圖1.正寧電廠百萬(wan)噸碳(tan)捕(bu)集項目(mu)-捕(bu)集區效果圖

圖(tu)2.碳捕集發電系(xi)統集成(cheng)圖(tu)
【聯系人】
集團聯系人:張齊齊,010-63228450,qiqi_z@chng.com.cn
成果(guo)聯系人:郭東方,15120000255,df_guo@qny.chng.com.cn
【責(ze)任編輯:賈建(jian)慧(hui)】